- 2250161898
- 0577-61802538
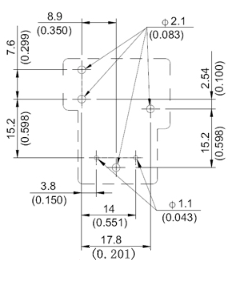
大功率30A通用功率继电器。
提供UL/CUL (UL 508 & 873)、VDE、CSA/CUS认证。
提供多种样式的产品供选择:敞开型、防尘盖型、密闭型,有快接引出端或无快接引出端等。
提供高绝缘及高耐压的规格。
提供触点料隙1.9mm,4,000V高介质耐压产品。
提供CTI 250的材质或符合IEC 60335-1的产品。
HVAC、UPS、电源和家用电器应用的理想控制元件。
符合RoHS 2011/65/EU指令。 防爆规格可供选择。



继电器的作用
继电器的原理是啥,继电器是电子器件操纵元器件,具有自动控制系统(即键入控制回路)和被自动控制系统(輸出控制回路),常常运用于全自动控制电路的设定。继电器事实上是运用小电流管理自己大电流的控制开关,关键在电路中充分发挥变换电路、自动调节和安全性维护的作用。
一般 ,在机电工程自动控制系统中沒有设定继电器的状况下,大多数选用交流接触器(标记KM)做为电气设备实行构件,能够完成基础的自动控制系统动作。可是,假如那样的构件设定在状况非常复杂的控制系统必须帮助的自然环境下,便会看起来十分乏力,没法做到具体的应用规定实际效果。
1、正中间继电器的作用:充分发挥变换、传送操纵数据信号的作用,即键入数据信号是线圈的插电断开数据信号,另外輸出数据信号是正中间继电器的接触点动作。实质上是工作电压继电器之一,具备断路器总数多的特点。断路器能承担的电流大(范畴为额定值总流量5A-10A),动作比较敏感(动作时间段为0.05s下列),正中间继电器标记如下图所显示。
2、工作电压继电器的作用:从叫法上能够大概了解其关键基本原理是依据工作电压数据信号工作中,依据线圈工作电压的尺寸决策触点的动作,安裝应用时线圈务必与负荷串联。工作电压继电器按线圈工作电压分成沟通交流和交流电,按动作工作电压分成过压和不够工作电压。因而,其作用也不一样,在其中过压在额定电流范畴内,电流线圈不做一切吸咐动作反倒超出动作。
沟通交流过压继电器在电路中充分发挥过压维护作用,不够工作电压在线圈工作电压做到或超出线圈额定电流时,不够工作电压继电器在电路中关键充分发挥不够工作电压维护作用,工作电压继电器标记如下图所显示(左过压、不够工作电压)。
3、电流继电器的作用:一般 必须依据电流数据信号工作中,另外依据线圈的电流尺寸决策触点的动作,设定应用时电流继电器线圈务必与负荷电路串连。线圈电流分成沟通交流和交流电,动作电流分成过电流和不够电流。
过电流工作中时负荷电流根据线圈,一般 挑选选用的线圈额定值电流(即整定值电流)相当于较大 的负荷电流,负荷电流不超过整时间常数时电流不动作,反过来超出的时候会造成吸引住动作。过电流继电器的关键作用是在电路中充分发挥过电流保护,特别是在产生破坏性过电流时,有优良的维护实际效果。
电流继电器不够的基本原理是,当线圈中的电流做到或超出动作电流值时,同步电机会开展吸合动作,反过来,当同步电机电流小于动作电流值时,同步电机会马上释放出来。在一切正常情况下工作中时,假如负荷电流超出线圈动作电流,一样的电流会被消化吸收,当负荷电流降低到线圈释放出来电流的标值下列时,电流会被释放出来。电流不够继电器在电路中充分发挥了电流不够的维护作用,电流继电器的标记如下图所显示(左为过电流,右为过电流不够)。
4、時间继电器的作用:简单点来说,它是一种继电器,它从得到键入数据信号(即线圈插电或关掉)逐渐,仅有在预置延迟时间后才可以輸出数据信号(接触点关掉或关掉)。時间继电器一般运用于相对性较低的工作电压或电流电路,具备联接、断开高电压或电流的作用,为电路出示电动式电源开关设备自动控制系统,時间继电器标记如下图所显示(左为关闭电源延迟时间、右为插电延迟时间)。
上一篇:871微小型汽车继电器
下一篇:103汽车继电器