- 2250161898
- 0577-61802538
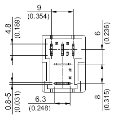
微小型ISO汽车继电器。
触点型式有一组常开型、一组转换型。
常开触点可达35A阻性负载,常闭触点可达20A阻性负载,100,000次,23°C。
工作环境温度-40℃~125℃。
可选用一般外盖或底座附裙摆的外盖型式。
可搭配选用二极管或电阻。
符合RoHS 2011/65/EU和ELV 2000/53/EC指令。



继电器的原理:
大家依据案例表明继电器的原理。下面的图是继电器操纵电灯泡的图,继电器有延时继电器和常闭点,动接触点是公共性终端设备,它是交流电继电器,即继电器的线圈根据直流电源时(图上运用充电电池供电系统),带铁芯的线圈輸出相匹配的电磁场,吸咐电缆线,动接触点从常闭点侧从图上看,运行/终止按键、充电电池、继电器线圈产生控制电路,只需该控制回路被消化吸收,线圈便会根据电流,造成电磁场。
常常开启接触点、电灯泡、另一个电灯泡的操纵开关电源(图上另一个充电电池)产生电路,一般 开启接触点消化吸收,该电路关掉,电流从操纵开关电源的正端穿过电灯泡,根据关掉的延时继电器,返回负级,电灯泡发亮。
运行/终止按键断掉时,线圈丧失电流,同步电机沒有磁性吸咐,根据弹黄校准,动接触点的另一端从一般 的点接触一侧修复到一般 的点接触一侧,电灯泡的插电控制回路被强制性断掉,电灯泡沒有电流,自然发暗。
因而,继电器也被一些老电焊工称之为磁吸引住,运用电磁线圈的作用操纵别的电路的吸引住和断开,在磁感应继电器中必须线圈、变压器铁芯、弹黄、接触点等关键构件。接触点一般 有延时继电器和常闭点,二者一般 有公共性终端设备,假如线圈沒有感应起电,常闭点和公共性终端设备是接线,延时继电器和公共性终端设备是引路的线圈感应起电后,延时继电器和公共性终端设备是接线,常闭点和公共性终端设备是引路的
继电器的作用是啥?它是一种电子器件控制系统,具备自动控制系统(即键入电路)和被自动控制系统(輸出电路),常常运用于自动控制系统电路。继电器事实上是运用小电流管理自己大电流的控制开关,关键在电路中充分发挥变换电路、自动调节和安全性维护的作用。今日继电器的作用,继电器的原理是啥,在这儿表明,期待大伙儿可以协助。
上一篇:303汽车继电器
下一篇:832微小型汽车继电器