当前位置:首页 » 产品中心 » 继电器
高性能方糖形功率继电器。
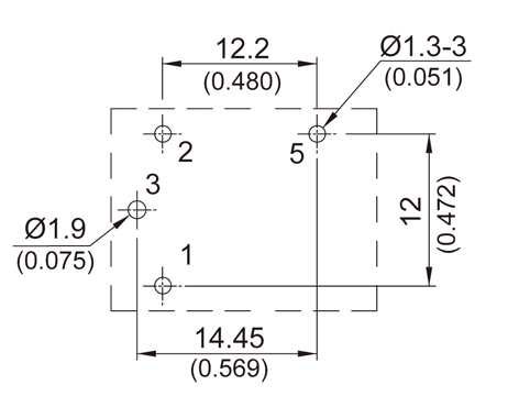
触点间距2.1mm。
符合RoHS 2011/65/EU指令。
上一篇:HV024新能源继电器
下一篇:MV002新能源继电器
898汽车继电器
905汽车继电器
895汽车继电器
871A汽车继电器
822汽车继电器
611汽车继电器
108汽车继电器
812汽车继电器
409汽车继电器
896微小型汽车继电器
301汽车继电器
215家电继电器
899家电继电器
892家电继电器
891家电继电器
881WP家电继电器
855A家电继电器
805家电继电器
302家电继电器
310新能源继电器
0577-61802538
在线交谈
回到首页
电话咨询
在线客服
一键导航